Заказать звонок
Ваш регион:
Москва
Перейти на старый сайт

LAS-M5-2 Гайка запрессовочная самостопорная c "плавающим " сердечником

LAS-M5-2 Гайка запрессовочная самостопорная c "плавающим " сердечником

LAS-M5-2 Гайка запрессовочная самостопорная c "плавающим " сердечником
44 287.14 ₽ /
1000 шт.
  • Описание

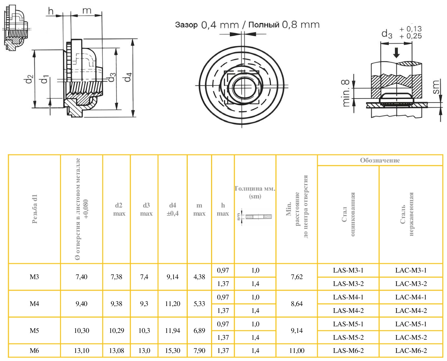
    Самоконтрящаяся (самостопорящаяся) запрессовочная гайка тип LAS с подвижным («плавающим») сердечником из оцинкованной закаленной углеродистой стали. Оцинкованное покрытие продлевает срок службы гайки, повышая ее устойчивость к коррозии. Подвижный сердечник гайки позволяет регулировать положение оси резьбы в пределах от 0,38 до 0,76 мм, компенсируя несоосность сопрягаемых отверстий, что значительно упрощает монтаж конструкции. Соединения с применением гайки LAS устойчивы к вибрационным нагрузкам и не ослабляются в процессе эксплуатации.

    Запрессовочная гайка LAS относится к самоконтрящемуся крепежу с преобладающим крутящим моментом, т.е. в процессе затяжки обеспечивается практически одинаковый крутящий момент независимо от величины прилагаемой осевой нагрузки. Высокая осевая прочность с повышенным сопротивлением крутящему моменту (провороту) и отрыву. Устанавливается заподлицо с одной стороны заготовки. Резьба в подвижном сердечнике гайки обеспечивает дополнительную прочность и надёжность соединения. Размерность от М3 до М6. От одного до двух вариантов высоты обратного конуса гайки в каждой размерности, выбор которого зависит от толщины материала, в который будет запрессовываться крепеж. Рекомендована для монтажа в стальные и алюминиевые заготовки твердостью до HRB 70 и толщиной от 0,97 мм.

    Установка запрессовочной гайки осуществляется в заранее подготовленное отверстие, под воздействием равномерной нагрузки в процессе запрессовки происходит пластическая деформация материала металлической заготовки, затекающего в специальные конструктивные элементы крепежных изделий, создавая при этом аккуратное и прочное соединение, обеспечивающее необходимую несущую способность и стойкость к крутящему моменту.

  • Характеристики
    Тип крепежа
    Гайка запрессовочная
    Материал крепежа
    Нержавеющая сталь
    Тип запрессовочного крепежа
    Гайка запрессовочная самостопорная LAS
    Артикул
    LAS-M5-2
    Наличие резьбы у крепежа
    Да
    Наличие покрытия заготовки
    Нет
    Длина (мм)
    6.86
    Диаметр резьбы
    5
    Внешний диаметр
    11.94
    Фасовка
    1000 шт
    Внутренний диаметр
    10.29
  • Чертежи
  • Номенклатура

    Гайка запрессовочная LAS

    M3 M4 M5 M6
    1 LAS-M3-1 LAS-M4-1 LAS-M5-1
    2 LAS-M3-2 LAS-M4-2 LAS-M5-2 LAS-M6-2
S-M6-0 S-M6-0
B-M5-2 B-M5-2
S-M3-2 S-M3-2
F-M6-5 F-M6-5