Заказать звонок
Ваш регион:
Москва
Перейти на старый сайт

FEX-M3 Гайка запрессовочная с замком

FEX-M3 Гайка запрессовочная с замком

  • Описание

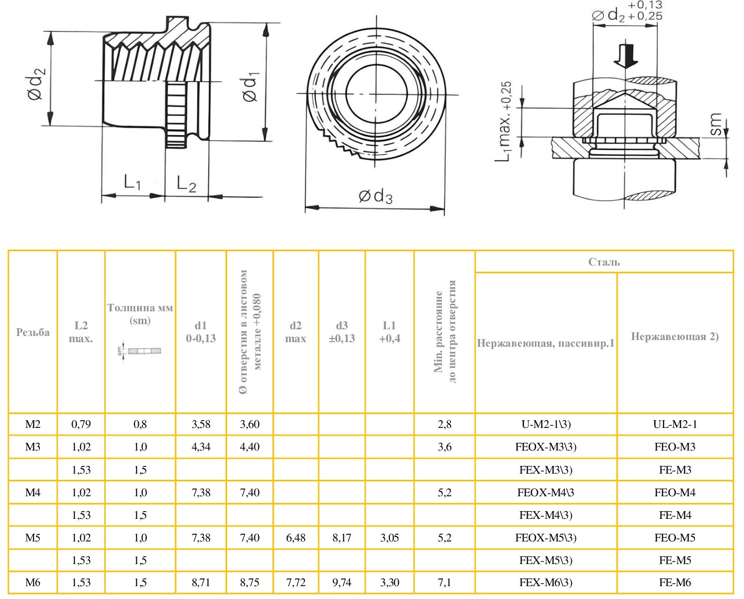
    Миниатюрная запрессовочная гайка с минимальными габаритными размерами тип FEX из нержавеющей стали AISI 303  для создания разъемного резьбового соединения в тонколистовых материалах с меньшим расстоянием от края заготовки в сравнении со стандартными запрессовочными гайками. Имеет круглую форму и многоразовую резьбу класса прочности 2B/6H. Хорошая устойчивость к коррозии. Прочная зубчатая накатка гайки и дополнительная выемка, заполняемая вытесняемым при запрессовке материалом, обеспечивают высокое сопротивление крутящему моменту (провороту) и отрыву. Размерность от М3 до М6. Рекомендована для монтажа в металлические заготовки твердостью до HRB 70 толщиной от 1,5 до 1,78 мм, минимальное расстояние от края заготовки 3,6 мм.

    Запрессовочная гайка из нержавеющей стали AISI 303 устойчива к атмосферной коррозии, многим органическим средам, пищевым продуктам, слабым кислотам и щелочам, но ее коррозионная стойкость ниже, по сравнению с крепежом из нержавеющей стали AISI 304, особенно в хлоридсодержащих средах (морская вода). При нормальных условиях крепеж из нержавеющей стали AISI 303 немагнитный. Нержавеющая сталь AISI 303 может подвергаться термической обработке.  Легко полируется до зеркального блеска, что придает готовым изделиям эстетический внешний вид. Широко применяется в автомобильной, пищевой и химической промышленности, в приборостроении и электроники, производстве бытовой техники.

    Установка запрессовочной гайки осуществляется в заранее подготовленное отверстие, под воздействием равномерной нагрузки в процессе запрессовки происходит пластическая деформация материала металлической заготовки, затекающего в специальные конструктивные элементы крепежных изделий, создавая при этом аккуратное и прочное соединение, обеспечивающее необходимую несущую способность и стойкость к крутящему моменту.

  • Характеристики
    Тип крепежа
    Гайка запрессовочная
    Материал крепежа
    Нержавеющая сталь
    Тип запрессовочного крепежа
    FEX нержавеющая сталь
    Артикул
    FEX-M3
    Наличие резьбы у крепежа
    Да
    Диаметр крепежа (мм)
    3
    Длина (мм)
    1.9
    Диаметр резьбы
    3
    Внешний диаметр
    4.88
    Фасовка
    1000 шт
    Внутренний диаметр
    3.96
  • Чертежи
  • Номенклатура
S-M6-0 S-M6-0
B-M5-2 B-M5-2
S-M3-2 S-M3-2
F-M6-5 F-M6-5