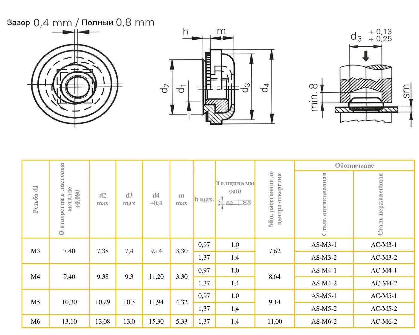
Запрессовочная гайка тип AS с подвижным («плавающим») сердечником из оцинкованной закаленной углеродистой стали. Оцинкованное покрытие продлевает срок службы гайки, повышая ее устойчивость к коррозии. Подвижный сердечник гайки позволяет регулировать положение оси резьбы в пределах от 0,38 до 0,76 мм, компенсируя несоосность сопрягаемых отверстий, что значительно упрощает монтаж конструкции. Устанавливается заподлицо с одной стороны заготовки. Резьба в подвижном сердечнике гайки обеспечивает дополнительную прочность и надёжность соединения. Размерность от М3 до М6. От одного до двух вариантов высоты обратного конуса гайки в каждой размерности, выбор которого зависит от толщины материала, в который будет запрессовываться крепеж. Рекомендована для монтажа в стальные и алюминиевые заготовки твердостью до HRB 70 и толщиной от 0,97 мм.
Запрессовочная гайка из нержавеющей стали AISI 303 устойчива к атмосферной коррозии, многим органическим средам, пищевым продуктам, слабым кислотам и щелочам, но ее коррозионная стойкость ниже, по сравнению с крепежом из нержавеющей стали AISI 304, особенно в хлоридсодержащих средах (морская вода). При нормальных условиях крепеж из нержавеющей стали AISI 303 немагнитный. Нержавеющая сталь AISI 303 может подвергаться термической обработке. Легко полируется до зеркального блеска, что придает готовым изделиям эстетический внешний вид. Широко применяется в автомобильной, пищевой и химической промышленности, в приборостроении и электронике, производстве бытовой техники.
Установка запрессовочной гайки осуществляется в заранее подготовленное отверстие, под воздействием равномерной нагрузки в процессе запрессовки происходит пластическая деформация материала металлической заготовки, затекающего в специальные конструктивные элементы крепежных изделий, создавая при этом аккуратное и прочное соединение, обеспечивающее необходимую несущую способность и стойкость к крутящему моменту.
1 713.12 ₽ / 1000 шт.
Количество
3 834.60 ₽ / 1000 шт.
Количество
814.23 ₽ / 1000 шт.
Количество
21 807.70 ₽ / 1000 шт.
Количество